1995 Chevy Silverado Wiring Diagram 4 Wheel Drive - 95 Chevy Silverado Fuel Pump Wiring Diagram Wiring Diagram Bike Network B Bike Network B Piuconzero It / Otherwise, the structure will not function as it ought to be.. Nothings seems to work but there can be duds and maybe i will try another tccm and encoder and hope it fixes the problem. Problem with your chevrolet silverado 2500 hd? I need a wiring diagram for the 4 wheel drive in a 1995 chevy 2500 extended cab truck posted by jdb110 on dec 17, 2009 want answer 0 Installed this after having to buy a bigger crescent wrench, and boom 4 wheel works again! 4 wheel drive light flashing on your chevy?

The four wheel drive 4wd actuator wire harness is designed as an upgrade for older four wheel drive 4wd trucks. The 4x4 does not engage. I checked the 25amp fuse and it is good. 2004 silverado 4x4 2500 left front wheel bearing raise and support the vehicle. So if your chevy silverado is showing symptoms of a slipping 4wd system, continue reading for common diagnoses and repairs.

1995 Chevy Truck Fuse Block Diagrams Wiring Diagram Desc Rich A Rich A Fmirto It
1995 Chevy Truck Fuse Block Diagrams Wiring Diagram Desc Rich A Rich A Fmirto It from repairguide.autozone.com
Problem with your chevrolet silverado 2500 hd? Search from 14 used chevrolet silverado 1500 cars for sale, including a 1995 chevrolet silverado 1500, a 1995 chevrolet silverado 1500 2wd regular cab, and a 1995 chevrolet silverado 1500 4x4 regular cab. This video demonstrates the chevrolet silverado complete wiring diagrams and details of the wiring harness. The transfer linkage feels good and i feel the gearing engage when i pull the stick back, but the hubs do not seem to lock and the indicator light does not light up for the front wheel drive line. 2004 silverado 4x4 2500 left front wheel bearing raise and support the vehicle. Chevrolet silverado service repair manuals. Variety of 1995 chevy silverado wiring diagram. 1995 chevrolet c1500, c2500, c3500 pick up.

I own a 1995 suburban 1500 4x4.

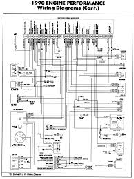
Otherwise, the structure will not function as it ought to be. Chevy repair manuals online with factory wire diagrams. The illustrations in the diagnostic manual are printer friendly! A wiring diagram is a simplified conventional photographic depiction of an electric circuit. Complete list of chevrolet silverado auto service repair manuals: I checked the 25amp fuse and it is good. 2004 chevy silverado 2500hd wiring diagram 2000 expedition wire hvac schematics. 1999 chevy / chevrolet silverado pick up truck owners manual ; A wiring diagram is a streamlined standard pictorial depiction of an electrical circuit. 2004 silverado 4x4 2500 left front wheel bearing raise and support the vehicle. Chevrolet silverado service repair manuals. Remove or disconnect the following: 1995 chevrolet k1500, k2500, k3500 pick up.

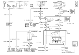
03 chevy silverado wiring diagram 2003 schematic 2004 2500hd 2500 radio chevrolet full 2006 2002 air conditioner starter 1500 ammeter transmission 2008 power 2007 pinout image 2005 4wd express png fuse box hitch 05 door i need a for my fa14 dn mag fr chev 91 the four wheel drive 1995 seat delphi alternator tow. Tire and wheel assembly caliper and rotor wheel speed sensor and brake hose mounting bracket bolt from the steering knuckle electrical connection for the wheel speed sensor front drive halfshaft assembly on four wheel drive models hub and bearing assembly mounting bolts. Problem with your chevrolet silverado 2500 hd? 1995 gmc k1500, k2500, k3500 pick up. So if your chevy silverado is showing symptoms of a slipping 4wd system, continue reading for common diagnoses and repairs.

Wiring Diagram 1995 Chevy 1500 Blower Wiring Diagram Side Note A Side Note A Agriturismoduemadonne It
Wiring Diagram 1995 Chevy 1500 Blower Wiring Diagram Side Note A Side Note A Agriturismoduemadonne It from www.2carpros.com
It's no longer necessary to exit the vehicle and manually lock the hubs on the front wheels. Remove or disconnect the following: Diagrams for the following systems are included. Otherwise, the structure will not function as it ought to be. The illustrations in the diagnostic manual are printer friendly! I am stuck on the grass at home and cannot get it off to try while i am moving. See good deals, great deals and more on used 1995 chevrolet silverado 1500. It reveals the components of the circuit as simplified forms, and also the power and signal connections in between the tools.

Diagrams for the following systems are included.

If not, the arrangement will not work as it ought to be. Complete list of chevrolet silverado auto service repair manuals: Search from 14 used chevrolet silverado 1500 cars for sale, including a 1995 chevrolet silverado 1500, a 1995 chevrolet silverado 1500 2wd regular cab, and a 1995 chevrolet silverado 1500 4x4 regular cab. The transfer linkage feels good and i feel the gearing engage when i pull the stick back, but the hubs do not seem to lock and the indicator light does not light up for the front wheel drive line. I need a wiring diagram for the 4 wheel drive in a 1995 chevy 2500 extended cab truck posted by jdb110 on dec 17, 2009 want answer 0 03 chevy silverado wiring diagram 2003 schematic 2004 2500hd 2500 radio chevrolet full 2006 2002 air conditioner starter 1500 ammeter transmission 2008 power 2007 pinout image 2005 4wd express png fuse box hitch 05 door i need a for my fa14 dn mag fr chev 91 the four wheel drive 1995 seat delphi alternator tow. I have only just bought the truck and it did work when i went on a test drive. This is a very common and v. Vn vr vs vt vx vy 4l60e 4l30e auto gearbox repair manual Remove or disconnect the following: It's no longer necessary to exit the vehicle and manually lock the hubs on the front wheels. Don't miss the 4 minute video at the bottom that shows you what the chevrolet s10 blazer wiring diagram section and ladder diagrams look like in the downloadable pdf format. I have a 1996 gmc 1500 sierra 4 x 4 pickup with the push button 4 wheel drive.

I am stuck on the grass at home and cannot get it off to try while i am moving. The transfer linkage feels good and i feel the gearing engage when i pull the stick back, but the hubs do not seem to lock and the indicator light does not light up for the front wheel drive line. When i tried it would make a grinding noise but never connect to 4 wheel. 2004 silverado 4x4 2500 left front wheel bearing raise and support the vehicle. Cooling fan circuit cruise control.

Vss Wiring 1995 Chevy Pickup Wiring Diagrams All High Check High Check Babelweb It
Vss Wiring 1995 Chevy Pickup Wiring Diagrams All High Check High Check Babelweb It from repairguide.autozone.com
03 chevy silverado wiring diagram 2003 schematic 2004 2500hd 2500 radio chevrolet full 2006 2002 air conditioner starter 1500 ammeter transmission 2008 power 2007 pinout image 2005 4wd express png fuse box hitch 05 door i need a for my fa14 dn mag fr chev 91 the four wheel drive 1995 seat delphi alternator tow. Our list of 32 known complaints reported by owners can help you fix your chevrolet silverado 2500 hd. It's no longer necessary to exit the vehicle and manually lock the hubs on the front wheels. Chevy 44 actuator wiring diagram wiring diagram is a simplified satisfactory pictorial representation of an electrical circuit. A wiring diagram is a simplified conventional photographic depiction of an electric circuit. Otherwise, the structure will not function as it ought to be. Tire and wheel assembly caliper and rotor wheel speed sensor and brake hose mounting bracket bolt from the steering knuckle electrical connection for the wheel speed sensor front drive halfshaft assembly on four wheel drive models hub and bearing assembly mounting bolts. The illustrations in the diagnostic manual are printer friendly!

1995 chevrolet c1500, c2500, c3500 pick up.

That is the kicker, i have literally replaced everything in the 4 wheel drive system. Chevrolet silverado service repair manuals. 2004 silverado 4x4 2500 left front wheel bearing raise and support the vehicle. When i tried it would make a grinding noise but never connect to 4 wheel. Terminal and harness assignments for individual connectors will vary depending on vehicle equipment level, model, and market. 2004 chevy silverado 2500hd wiring diagram 2000 expedition wire hvac schematics. Collection of chevy 4×4 actuator wiring diagram. Our list of 32 known complaints reported by owners can help you fix your chevrolet silverado 2500 hd. On my 1995 chevy pick up it has a stick shift for the four wheel drive. Vn vr vs vt vx vy 4l60e 4l30e auto gearbox repair manual It reveals the components of the circuit as simplified forms, and also the power and signal connections in between the tools. I have a 1996 gmc 1500 sierra 4 x 4 pickup with the push button 4 wheel drive. Each part ought to be placed and linked to different parts in particular way.

By